Блок управления Runxin TM.F135A TWIN - умягчение, до 10.0 м3/час
Заказывайте с Доставкой!
Оперативная отправка во все регионы РФ транспортными компаниями.
Скидки постоянным покупателям!
Доступные цены на весь ассортимент!
Блок управления Runxin TM.F135A TWIN - умягчение, до 10 м3/ч.
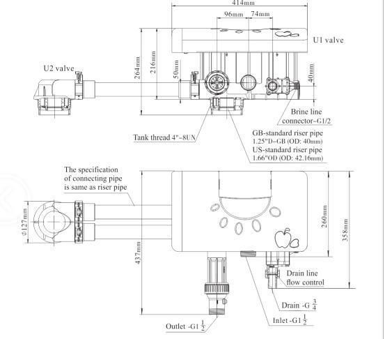
Автоматический клапан управления Runxin TM.F135A TWIN с расходомером предназначен для установок умягчения непрерывного действия. Под водоподъемную трубу 50 мм.
Один корпус находится в режиме работы, другой в режиме регенерации или ожидания. Клапан управляется электронным контроллером с LED дисплеем, имеет встроенный расходомер. В данном клапане реализована возможность проведения нисходящей и восходящей регенерации.
Старое наименование Runxin TM.F135A.
Клапан подходит под водоподъемную трубу 50 мм.
Характеристики:
- Тип клапана - Умягчение
- Управление - автоматическое
- Расположение управляющего клапана - Верхнее
- Водоподъемная труба (дистрибьютор) диаметр - 1.2
- Присоединение к корпусу фильтра, '' - 4
- Применяемые корпуса фильтров - 18" - 30"
- Управление - Автоматическое
- Присоединение реагентной линии, " - 0.5
- Электрические характеристики, 220/380В, Вт - 220
- Присоединительный размер вход/выход - 1,5"
- Дренаж (Канализация), " - 0.7
- Производительность в режиме промывки, м³/час - 10
- Рабочая температура, °С - от + 5 до + 50
- Присоединительный размер - 1 1/2" (Dn 40)
- Непрерывного действия - да
- Регенерация - по расходу и времени
- Дренаж - 3/4" (Dn 20)
- Солевая линия - 1/2"
- Посадочный размер - 4
- Водоподъемная труба - 2" (50 мм)
- Для фильтров/умягчителей - 18"-30"
|
Страна производства
|
Китай |
|
Производитель
|
Runxin |
|
Тип
|
Блок управления |
|
Назначение
|
Водоочистка |
|
Материал корпуса
|
Композит |
|
Тип промывки
|
Обратная |
|
Производительность
|
до 10 куб. м/ч |
|
Управление
|
Автоматическое |
|
Вес
|
2,2 кг |
|
Диапазон рабочих температур
|
от +5С до +50С |
|
Рабочее давление, Бар
|
до 6 |
|
Присоединительный размер
|
1 1/2" (Dn 40) |
|
Соединение с корпусом фильтра, дюйм
|
4” |
После оформления заказа ожидайте звонка менеджера для подтверждения заказа и согласования условий оплаты и доставки.
Самовывоз без подтверждения не осуществляется.
Оплатить заказанные товары можно следующими способами:
- Наличными в офисе или курьеру;
- Банковской картой в офисе;
- Банковским переводом по реквизитам организации;
- По счёту для юридических лиц.
Доставка в регионы:
- Стоимость доставки до офиса транспортной компании составляет 500 рублей;
- Дальнейшая стоимость и сроки доставки рассчитываются согласно тарифам транспортной компании.
Доставка по Москве в пределах МКАД:
- При сумме заказа до 10 000 рублей стоимость доставки составит 500 рублей;
- При сумме заказа свыше 10 000 рублей доставка осуществляется БЕСПЛАТНО;
- Доставка осуществляется до подъезда.
Доставка за пределами МКАД:
- При сумме заказа до 10 000 рублей стоимость доставки составит 500 рублей +50 рублей за каждый километр от МКАД;
- При сумме заказа свыше 10 000 рублей оплачивается только 50 рублей за каждый километр от МКАД до места доставки;
- Доставка осуществляется до подъезда.
Самовывоз из магазина:
Адрес: г. Москва, Мамыри дом 30.
Мы находимся в 1 км от МКАД по Калужскому шоссе в сторону области, удобный подъезд, парковка на территории. Оформление заказов, консультация, подбор оборудования и комплектующих.
На автомобиле:
Кликабельный адрес для навигатора или
2ГИС. На въезде на территорию установлен шлагбаум, скажите охране, что Вы едете в "ТермоСток". Оставляйте автомобиль на парковке на территории. Вход в магазин расположен в левой части кирпичного здания под козырьком. Ориентир: надпись "Техцентр", "МаксиБус" (Mobil Delvac Express).
Маршрут для сервиса Яндекс.Карты.
От метро "Корниловская" пешком в сторону центра, пройти "Азбуку вкуса" и после одноэтажного здания грузинского ресторана повернуть налево, далее правее вдоль забора под шлагбаум. Вход в магазин расположен в левой части кирпичного здания под козырьком, левее "МаксиБус" (Mobil Delvac Express). Ориентир: надпись "Техцентр".
Маршрут для сервиса Яндекс.Карты.
Позвоните по указанным телефонам и менеджер встретит Вас +7 (499) 714-01-10 или +7 (499) 638-29-29.
Онлайн чат: MAX, WhatsApp
График работы интернет-магазина:
|
Пн. – Пт.: с 9:00 до 18:00 Сб.: – с 10:00 до 14:00 Вс.: – выходной Режим работы в праздничные дни уточняйте у менеджеров |
TermoStok.ru
Телефон: +7 (499) 638-29-29
E-mail: termostok@yandex.ru;
WhatsApp: Онлайн чат с менеджером
Адрес:
г. Москва, Мамыри дом 30
(1км от МКАД по Калужскому шоссе в сторону области).
Режим работы:
Пн. – Пт.: с 9:00 до 18:00
Сб.:– с 10:00 до 14:00
Вс.: – выходной.










































































